Комплексные поставки электрооборудования
Главная \ Каталог \ РЭТЗ Энергия \ Заградители ВЗ

Высокочастотные заградители серии ВЗ и элементы настройки

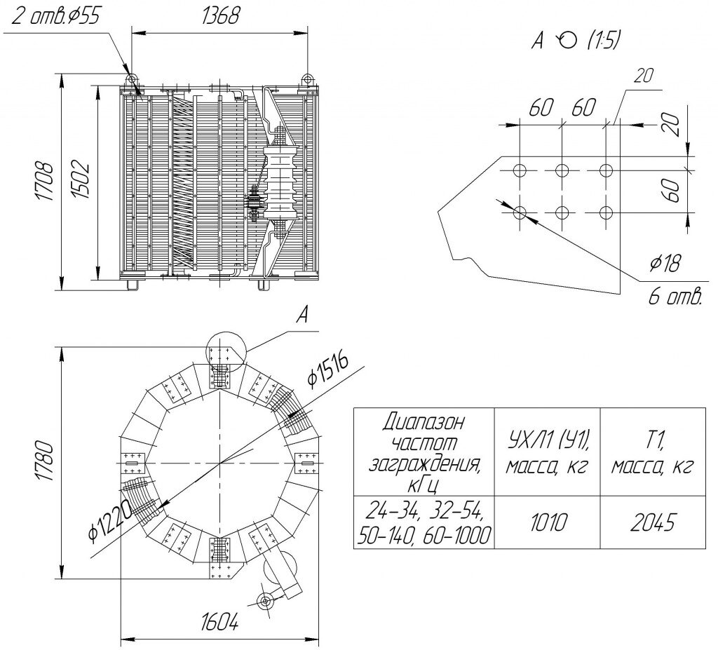
Высокочастотные заградители серии ВЗ РЭТЗ Энергия Высокочастотные заградители серии ВЗ с естественным воздушным охлаждением предназначены для создания высокочастотных каналов связи по высоковольтным линиям электропередач. Тип охлаждения - воздушное, климатическое исполнение УХЛ1, У1, Т1. Конструктивно заградитель состоит из реактора, элемента настройки и защитного устройства, в качестве которого используется ограничитель перенапряжения нелинейного типа ОПН без искровых промежутков, способный обеспечить эффективную защиту от перенапряжений. Выводы ограничителя ОПН выполнены из немагнитной стали.  В качестве элемента настройки используется элемент настройки типа ЭНЗ, разработанный по техническому заданию РАО “ЕЭС России” АО “РОСЭП” совместно с ГУП “ВЭИ”. Элемент настройки удовлетворяет требованиям МЭК (публикация No 60353). Для повышения электрической прочности элементов изделия и защиты их от воздействия окружающей внешней среды, внутренность корпуса ЭНЗ заполнена электроизоляционным компаундом. С целью увеличения ширины полос заграждения в верхней части рабочего диапазона частот (наиболее часто используемой) применяется новая квазиполиномиальная схема. Кроме того, в блоке настройки установлены дополнительные защитные устройства (ограничители перенапряжений). Это позволяет увеличить устойчивость элементов заградителя ВЗ к импульсам чередующейся полярности, возникающим при коммутации разъединителями, выключателями, при коротких замыканиях и пр. Безопасность работы и длительность эксплуатации обеспечивается приминенем высокостабильной элементной базы с использованием импульсных высокочастотных конденсаторов и металлооксидных резистров.
 

Наименование параметра

Величина параметра высокочастотного заградителя

ВЗ-630-0,5

ВЗ-1250-0,5

ВЗ-1250-0,5

ВЗ-2000-0,5

ВЗ-2000-1,0

Номинальный длительный ток, А

630

1250

1250

2000

2000

Диапазон частот заграждения, кГц

34-40

36-42

38-46

40-49

44-54

48-61

50-64

52-68

58-80

63-88

60-84

68-100

76-118

100-200

120-300

130-430

150-1000

36-42

40-48

44-52

52-66

60-78

72-104

80-120

100-190

130-360

160-1000

24-28

28-33

32-38

36-45

40-50

44-59

48-66

52-75

56-83

64-103

72-126

80-164

100-310

125-1000

28-33

32-40

36-46

43-58

45-63

60-98

80-185

100-310

125-1000

24-34

32-52

36-70

50-140

50-500**

60-1000

Класс напряжения линий электропередач, кВ

35-110

110-220

330

330-750

330-750

Номинальный кратковременный ток короткого замыкания в течение 1с, кА

16

31,5

31,5

40

40

Ударный ток короткого замыкания, кА

41

80

80

102

102

Минимальное значение активнойсоставляющей полногосопротивления, Ом

640

640

470

470

440

Индуктивность реактора на промышленной частоте, мГн

0,547

0,536

0,536

0,535

1,027

Полные потери в реакторе приноминальном токе, кВт

5

8,5

8,5

16

23,0

Климатическое исполнение и категория размещения по ГОСТ15150

УХЛ1,У1, Т1

УХЛ1, У1, Т1

УХЛ1, У1, Т1

УХЛ1, У1, Т1

УХЛ1, У1, Т1


* По требованию заказчика возможно изготовление с другими      техническими характеристиками. 
** Заграждающее сопротивление 400 Ом.
 
 
Контакты
Адрес:
197341, Санкт-Петербург
ул. Афонская д. 2, оф. 3-329
Оставьте заявку на сайте
Яндекс.Метрика